BE-JZJ
必一·运动(BSports)官方网站 KDSI
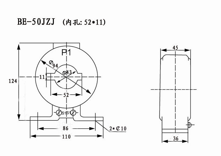
电流互感器 BE-50JZJ 400/5A--600/5A
l 产品特点:
BE-JZJ型电流互感器用于额定电压0.66KV及以下电力系统中,做电能计算,电流测量和继电保护用
l 型号定义:
BE-50JZJ
BE: 工厂编号
50: 内孔宽度
JZ: 树脂浇铸绝缘
J: 加大容量
l 技术参数:
1. 本产品符合GB1208-2006及IEC60044-1:2003
2. 额定电压:0.5KV/0.66KV
3. 额定频率50HZ
4. 额定二次电流:5A/1A
5. 二次绕组对地施加工频电压3KV,历时1min无击穿或闪烁现象
6. 额定输出,准确级请见下表
型号 | 额定电压 (KV) | 额定电流比 (A) | 额定负荷 (VA) | 准确级 | 母线孔尺寸 (MM) | 重量(KG) |
BE-30JZJ | 0.66 | 5-300/5A | 1.5-5 | 0.5/1/3 | 32*11 | 1.3 |
BE-40JZJ | 0.66 | 200-300/5A | 5 | 0.5/0.2 | 43*11 | 1.5 |
BE-50JZJ | 0.66 | 400-600/5A | 10 | 0.5/0.2 | 52*11 | 1.6 |
BE-60JZJ | 0.66 | 700-800/5A | 10 | 05./0.2 | 62*13 | 1.8 |
BE-100JZJ | 0.66 | 1000-1600/5A | 20 | 0.5/0.2 | 100*50 | 2.0 |





电流互感器 BE-50JZJ 400/5A--600/5A
l 产品特点:
BE-JZJ型电流互感器用于额定电压0.66KV及以下电力系统中,做电能计算,电流测量和继电保护用
l 型号定义:
BE-50JZJ
BE: 工厂编号
50: 内孔宽度
JZ: 树脂浇铸绝缘
J: 加大容量
l 技术参数:
1. 本产品符合GB1208-2006及IEC60044-1:2003
2. 额定电压:0.5KV/0.66KV
3. 额定频率50HZ
4. 额定二次电流:5A/1A
5. 二次绕组对地施加工频电压3KV,历时1min无击穿或闪烁现象
6. 额定输出,准确级请见下表
型号 | 额定电压 (KV) | 额定电流比 (A) | 额定负荷 (VA) | 准确级 | 母线孔尺寸 (MM) | 重量(KG) |
BE-30JZJ | 0.66 | 5-300/5A | 1.5-5 | 0.5/1/3 | 32*11 | 1.3 |
BE-40JZJ | 0.66 | 200-300/5A | 5 | 0.5/0.2 | 43*11 | 1.5 |
BE-50JZJ | 0.66 | 400-600/5A | 10 | 0.5/0.2 | 52*11 | 1.6 |
BE-60JZJ | 0.66 | 700-800/5A | 10 | 05./0.2 | 62*13 | 1.8 |
BE-100JZJ | 0.66 | 1000-1600/5A | 20 | 0.5/0.2 | 100*50 | 2.0 |





4. 生产线实拍
4. 生产线实拍
| 国家电工仪器仪表质量监督检验中心检测报告 | ||||
| 检测产品:KDSI 电表 必一·运动(BSports)官方网站 | ||||
| 序号 | 实验项目 | 允许值 | 实际值 | 实验结论 |
| 1 | 外观检查 | OK | OK | 符合要求 |
| 2 | 绝缘电阻 | OK | OK | 符合要求 |
| 3 | 电压试验 | OK | OK | 符合要求 |
| 4 | 响应时间 | 4 s | 1.5 s | 符合要求 |
| 5 | 基本误差试验 | ±1.5 | ±0.5 | 符合要求 |
| 6 | 升降变差试验 | ±1.5 | ±0.6 | 符合要求 |
| 7 | 偏离零位试验 | ±0.75 | 0 | 符合要求 |
| 8 | 过冲试验 | ±20 | 0 | 符合要求 |
| 9 | 自热试验 | ±1.5 | ±0.1 | 符合要求 |
| 10 | 交流被测量畸变一起的改变量实验 | ±1.5 | ±0.2 | 符合要求 |
| 11 | 位置引起的该变量实验 | ±0.75 | ±0.2 | 符合要求 |
| 12 | 交流被测量频率引起的改变量试验 | ±1.5 | ±0.3 | 符合要求 |
| 13 | 外磁场引起的该变量实验 | ±6 | ±0.2 | 符合要求 |
| 14 | 环境温度引起的改变量实验 | ±1.5 | ±0.2 | 符合要求 |
| 15 | 铁磁支架引起的改变量实验 | ±1.5 | ±0.5 | 符合要求 |
| 16 | 短时过负载实验 | ±1.5 | ±0.5 | 符合要求 |
| 17 | 连续过负载实验 | ±1.5 | ±0.5 | 符合要求 |
| 18 | 振动与冲击实验 | ±1.5 | ±0.3 | 符合要求 |
| 19 | 温度极限值实验 | ±1.5 | ±0.2 | 符合要求 |
| 20 | 湿度引起的该变量实验 | ±1.5 | ±0.2 | 符合要求 |
| 国家电工仪器仪表质量监督检验中心检测报告 | ||||
| 检测产品:KDSI 电表 必一·运动(BSports)官方网站 | ||||
| 序号 | 实验项目 | 允许值 | 实际值 | 实验结论 |
| 1 | 外观检查 | OK | OK | 符合要求 |
| 2 | 绝缘电阻 | OK | OK | 符合要求 |
| 3 | 电压试验 | OK | OK | 符合要求 |
| 4 | 响应时间 | 4 s | 1.5 s | 符合要求 |
| 5 | 基本误差试验 | ±1.5 | ±0.5 | 符合要求 |
| 6 | 升降变差试验 | ±1.5 | ±0.6 | 符合要求 |
| 7 | 偏离零位试验 | ±0.75 | 0 | 符合要求 |
| 8 | 过冲试验 | ±20 | 0 | 符合要求 |
| 9 | 自热试验 | ±1.5 | ±0.1 | 符合要求 |
| 10 | 交流被测量畸变一起的改变量实验 | ±1.5 | ±0.2 | 符合要求 |
| 11 | 位置引起的该变量实验 | ±0.75 | ±0.2 | 符合要求 |
| 12 | 交流被测量频率引起的改变量试验 | ±1.5 | ±0.3 | 符合要求 |
| 13 | 外磁场引起的该变量实验 | ±6 | ±0.2 | 符合要求 |
| 14 | 环境温度引起的改变量实验 | ±1.5 | ±0.2 | 符合要求 |
| 15 | 铁磁支架引起的改变量实验 | ±1.5 | ±0.5 | 符合要求 |
| 16 | 短时过负载实验 | ±1.5 | ±0.5 | 符合要求 |
| 17 | 连续过负载实验 | ±1.5 | ±0.5 | 符合要求 |
| 18 | 振动与冲击实验 | ±1.5 | ±0.3 | 符合要求 |
| 19 | 温度极限值实验 | ±1.5 | ±0.2 | 符合要求 |
| 20 | 湿度引起的该变量实验 | ±1.5 | ±0.2 | 符合要求 |
3. 运输方式
我们长期合作的快递公司: 申通快递 顺丰快递 德邦快递 德邦物流 新邦物流
我们会根据路程的远近,货物的多少为您选择合适的快递及物流公司
3. 运输方式
我们长期合作的快递公司: 申通快递 顺丰快递 德邦快递 德邦物流 新邦物流
我们会根据路程的远近,货物的多少为您选择合适的快递及物流公司