BE-23KCT
必一·运动(BSports)官方网站 KDSI
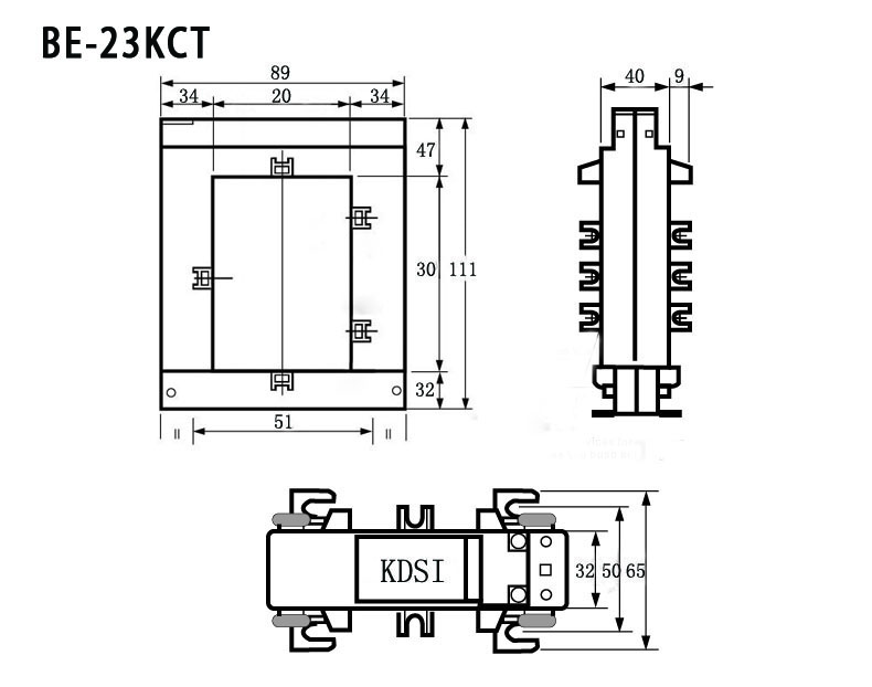
BE-23KCT 100-400/5A
1.1 产品描述
开口型电流互感器又称为分离式电流互感器,主要用于配电系统改造项目,安装方便,无需拆一次母线,亦可带电操作,不影响客户正常用电,既节省了安装时间,又节约维护费用
1.2 使用范围
主要用于供额定电压为0.6kV及以下,额定频率为50/60Hz的交流电路中作为电流、电能测量或继电保护用。产品为塑壳式电流互感器,广泛应用于成套柜体中,底板固定安装方法,适合各个方向安装
1.3 标准
1.国家标准GB1208-2006
2.国际标准IEC60044-1(2003)
1.4 技术指标
计量CT一次电流5-5000A,二次电流5A,1A
额定工作电压: AC0.66KV
额定频率:50-60HZ
精度等级:1.0/0.5
环境温度:-30℃-70℃
海拔高度≤1000米
1.5 选型说明
根据一次电流及母线截面等参数选择对应的规格产品.
工作电流长期不超过1.1倍额定值,允许在1.2倍额定值时短时使用,时间不超过1h;
根据被测电流大小,选定额定电流比,一般选用比被测电流大2/3左右的额定电流;
产品极性表示为:一次接线标志P1、P2,相应二次接线标志S1、S2;S1表示P1的同名端,S2表示P2的同名端;
测量仪表接于S1、S2端上,此时所接回路的总负荷不应超过互感器的额定负荷,当安装仪表位置与电流互感器相距甚远或回路负载较大时,应优先选用二次电流为1A的规格;
注意根据母线的截面直径和根数,选用相匹配穿心孔直径的互感器。
1.6 固定方式:
安装底板固定安装
1.7 型号定义:
BE-58KCT 400/5A
KCT:系列号
58:孔尺寸大小
400/5A:电流参数

1.9 产品实物:


1.12 仓储
1.1 产品描述
开口型电流互感器又称为分离式电流互感器,主要用于配电系统改造项目,安装方便,无需拆一次母线,亦可带电操作,不影响客户正常用电,既节省了安装时间,又节约维护费用
1.2 使用范围
主要用于供额定电压为0.6kV及以下,额定频率为50/60Hz的交流电路中作为电流、电能测量或继电保护用。产品为塑壳式电流互感器,广泛应用于成套柜体中,底板固定安装方法,适合各个方向安装
1.3 标准
1.国家标准GB1208-2006
2.国际标准IEC60044-1(2003)
1.4 技术指标
计量CT一次电流5-5000A,二次电流5A,1A
额定工作电压: AC0.66KV
额定频率:50-60HZ
精度等级:1.0/0.5
环境温度:-30℃-70℃
海拔高度≤1000米
1.5 选型说明
根据一次电流及母线截面等参数选择对应的规格产品.
工作电流长期不超过1.1倍额定值,允许在1.2倍额定值时短时使用,时间不超过1h;
根据被测电流大小,选定额定电流比,一般选用比被测电流大2/3左右的额定电流;
产品极性表示为:一次接线标志P1、P2,相应二次接线标志S1、S2;S1表示P1的同名端,S2表示P2的同名端;
测量仪表接于S1、S2端上,此时所接回路的总负荷不应超过互感器的额定负荷,当安装仪表位置与电流互感器相距甚远或回路负载较大时,应优先选用二次电流为1A的规格;
注意根据母线的截面直径和根数,选用相匹配穿心孔直径的互感器。
1.6 固定方式:
安装底板固定安装
1.7 型号定义:
BE-58KCT 400/5A
KCT:系列号
58:孔尺寸大小
400/5A:电流参数

1.9 产品实物:


1.12 仓储
4. 生产线实拍
4. 生产线实拍
2.1、产品测试报告
| 国家电工仪器仪表质量监督检验中心检测报告 | ||||
| 检测产品:KDSI 电表 必一·运动(BSports)官方网站 | ||||
| 序号 | 实验项目 | 允许值 | 实际值 | 实验结论 |
| 1 | 外观检查 | OK | OK | 符合要求 |
| 2 | 绝缘电阻 | OK | OK | 符合要求 |
| 3 | 电压试验 | OK | OK | 符合要求 |
| 4 | 响应时间 | 4 s | 1.5 s | 符合要求 |
| 5 | 基本误差试验 | ±1.5 | ±0.5 | 符合要求 |
| 6 | 升降变差试验 | ±1.5 | ±0.6 | 符合要求 |
| 7 | 偏离零位试验 | ±0.75 | 0 | 符合要求 |
| 8 | 过冲试验 | ±20 | 0 | 符合要求 |
| 9 | 自热试验 | ±1.5 | ±0.1 | 符合要求 |
| 10 | 交流被测量畸变一起的改变量实验 | ±1.5 | ±0.2 | 符合要求 |
| 11 | 位置引起的该变量实验 | ±0.75 | ±0.2 | 符合要求 |
| 12 | 交流被测量频率引起的改变量试验 | ±1.5 | ±0.3 | 符合要求 |
| 13 | 外磁场引起的该变量实验 | ±6 | ±0.2 | 符合要求 |
| 14 | 环境温度引起的改变量实验 | ±1.5 | ±0.2 | 符合要求 |
| 15 | 铁磁支架引起的改变量实验 | ±1.5 | ±0.5 | 符合要求 |
| 16 | 短时过负载实验 | ±1.5 | ±0.5 | 符合要求 |
| 17 | 连续过负载实验 | ±1.5 | ±0.5 | 符合要求 |
| 18 | 振动与冲击实验 | ±1.5 | ±0.3 | 符合要求 |
| 19 | 温度极限值实验 | ±1.5 | ±0.2 | 符合要求 |
| 20 | 湿度引起的该变量实验 | ±1.5 | ±0.2 | 符合要求 |
2.2、我们的检测设备
2.1、产品测试报告
| 国家电工仪器仪表质量监督检验中心检测报告 | ||||
| 检测产品:KDSI 电表 必一·运动(BSports)官方网站 | ||||
| 序号 | 实验项目 | 允许值 | 实际值 | 实验结论 |
| 1 | 外观检查 | OK | OK | 符合要求 |
| 2 | 绝缘电阻 | OK | OK | 符合要求 |
| 3 | 电压试验 | OK | OK | 符合要求 |
| 4 | 响应时间 | 4 s | 1.5 s | 符合要求 |
| 5 | 基本误差试验 | ±1.5 | ±0.5 | 符合要求 |
| 6 | 升降变差试验 | ±1.5 | ±0.6 | 符合要求 |
| 7 | 偏离零位试验 | ±0.75 | 0 | 符合要求 |
| 8 | 过冲试验 | ±20 | 0 | 符合要求 |
| 9 | 自热试验 | ±1.5 | ±0.1 | 符合要求 |
| 10 | 交流被测量畸变一起的改变量实验 | ±1.5 | ±0.2 | 符合要求 |
| 11 | 位置引起的该变量实验 | ±0.75 | ±0.2 | 符合要求 |
| 12 | 交流被测量频率引起的改变量试验 | ±1.5 | ±0.3 | 符合要求 |
| 13 | 外磁场引起的该变量实验 | ±6 | ±0.2 | 符合要求 |
| 14 | 环境温度引起的改变量实验 | ±1.5 | ±0.2 | 符合要求 |
| 15 | 铁磁支架引起的改变量实验 | ±1.5 | ±0.5 | 符合要求 |
| 16 | 短时过负载实验 | ±1.5 | ±0.5 | 符合要求 |
| 17 | 连续过负载实验 | ±1.5 | ±0.5 | 符合要求 |
| 18 | 振动与冲击实验 | ±1.5 | ±0.3 | 符合要求 |
| 19 | 温度极限值实验 | ±1.5 | ±0.2 | 符合要求 |
| 20 | 湿度引起的该变量实验 | ±1.5 | ±0.2 | 符合要求 |
2.2、我们的检测设备
3. 运输方式
我们长期合作的快递公司: 申通快递 顺丰快递 德邦快递 德邦物流 新邦物流
我们会根据路程的远近,货物的多少为您选择合适的快递及物流公司
3. 运输方式
我们长期合作的快递公司: 申通快递 顺丰快递 德邦快递 德邦物流 新邦物流
我们会根据路程的远近,货物的多少为您选择合适的快递及物流公司